咨询服务热线:
139-0529-7829
QQ:1439313248
公司首页
公司简介
产品展示
SZL15吨生物质锅炉
LSG立式燃生物质锅炉
DZL卧式燃生物质锅炉
CLSG生物质常压热水炉
LHG立式燃生物质蒸汽锅炉
YGL、YLL等燃气有机热载体锅炉
WDR全自动电加热蒸汽锅炉
LDR小型全自动电加热蒸汽锅炉
JWNS间接式燃油燃气(常压)热水锅炉
YGL、YLL等生物质有机热载体锅炉系列
“D”型快装燃油(气)锅炉
WNS卧式燃油(气)蒸汽锅炉
SZL型组装锅炉系列
DZL快装锅炉系列
LSC立式明火反烧锅炉
汽包
LSS立式冷凝式燃油气蒸汽锅炉
企业新闻
资质荣誉
公司业绩
厂房一角
联系我们
联系我们
人才招聘
留言中心
当前位置:
网站首页
-
产品展示
-
“D”型快装燃油(气)锅炉
“D”型快装水管燃油(气)锅炉
主要参数及规格:
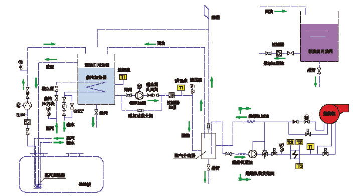
重油燃烧器供油系统示意图:
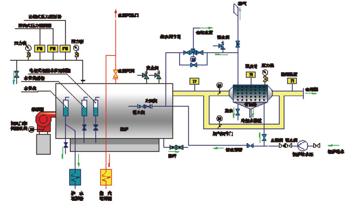
蒸汽锅炉(有省油器)的汽水系统及安全控制系统: